Consulta el catálogo de recambios

W7320000 - POLARIS® 380

Revisión nº: 0 | Fecha: 15-09-2023

POLARIS® 380

Piezas del despiece (kits o unitarios)

POS. CÓDIGO DESCRIPCIÓN    
SPECIAL W7230203 PESO COLA LIMPIAFONDOS
SPECIAL W7230211 CUBIERTA RUEDA CON VENTOSAS
SPECIAL W7230220 TORNILLO, CABEZA REDONDA SS DE 10-32 X 3/8 "* 10
10 UT
SPECIAL W7230307 MANGUERA ALIMENTACIÓN COMPL. (SIN VÁLVULA RETROCESO)
SPECIAL W7230401 ACOPLAMIENTO 1 1/2” 3 3/4”
SPECIAL W7230412 PROTECTOR ESCALERA (2 PANELES)
SPECIAL W7230403 CONTROLADOR DE PRESIÓN
SPECIAL W7230313 JUNTA TÓRICA PARA G52
SPECIAL W7330101 BOLSA DE HOJAS
SPECIAL W7330103 BOLSA ULTRAFINA
SPECIAL W7230320 MANGUERA ALIMENTACIÓN CON FLOT. BLANCA
SPECIAL W7230407 CODO ADAPTABLE TOMA PISCINAS
SPECIAL W7330001 KIT TREN RODANTE PARA POLARIS® 380
SPECIAL W7330241 KIT DE CONVERSIÓN VÁLVULA DE INVERSIÓN
SPECIAL W7230408 DESCONECTOR UNIVERSAL PLÁSTICO
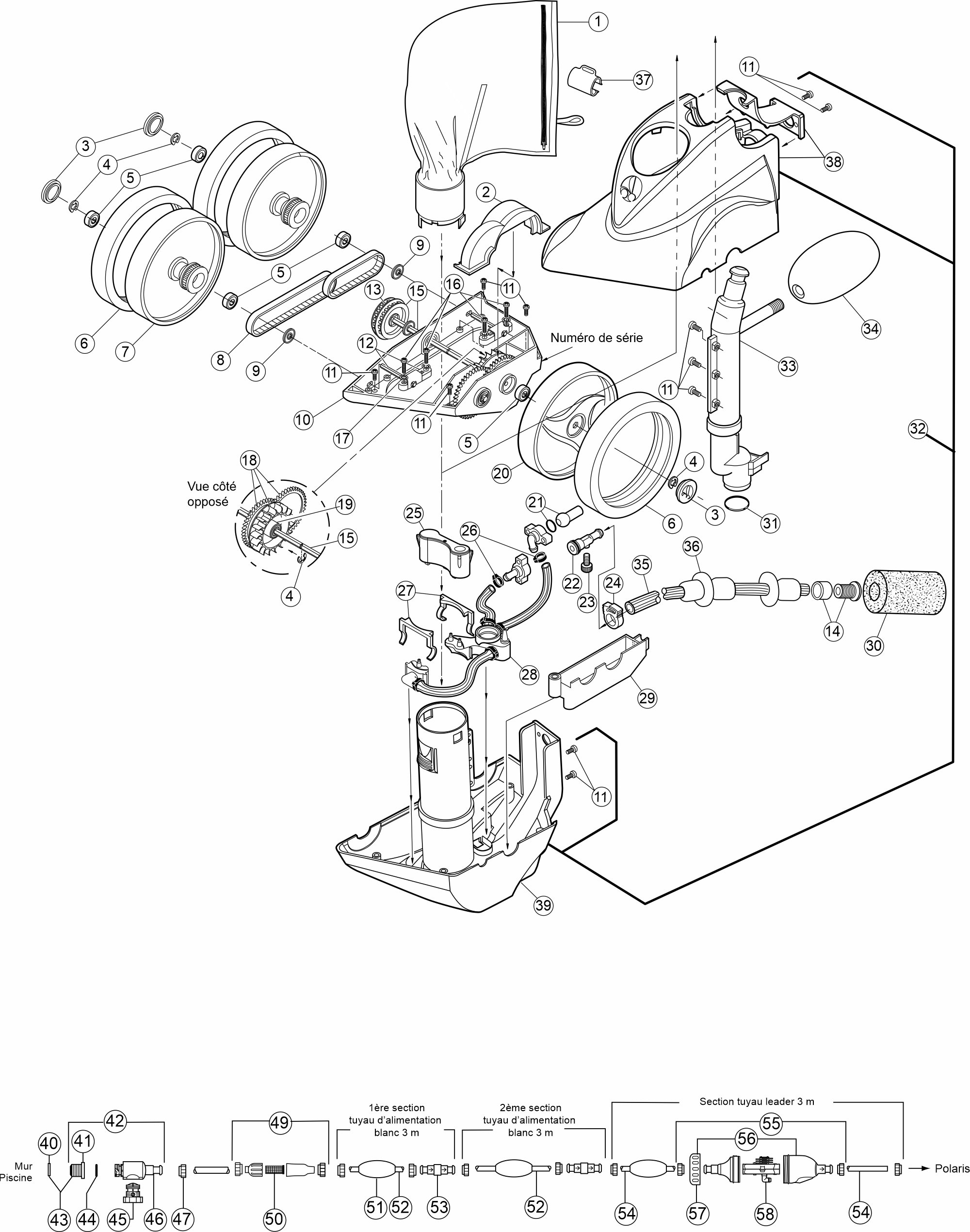
1 W7330105 BOLSA ESTÁNDAR
2 W7330222 TAPA SUPERIOR DE LA TURBINA
3 W7330218 TAPÓN EJE
4 W7330226 ABRAZADERA, ACERO INOXIDABLE
5 UT
5 W7330217 RODAMIENTO RUEDA ATV
6 W7230210 CUBIERTA RUEDA BLANCA
7 W7330213 RUEDA, LADO DOBLE
8 W7330215 JUEGO DE BANDAS, PEQUEÑA YGRANDE
9 W7330236 COJINETE DE ESCUDO
10 W7330244 CHASIS
11 W7330229 TORNILLO 1/2” INOX.
5 UT
12 W7330221 BLOQUE EJE
13 W7330214 SEPARADOR DE LAS BANDAS, POLEA
14 W7230208 CASQUILLO COLA LIMPIAFONDOS
15 W7330212 POLEA DE TRANSFERENCIA Y EJEIMPULSOR
16 W7330228 TORNILLO INOX. 8-32 3 3/4”
5 UT
17 W7330230 ARANDELA DE CIERRE, SOPORTE DEL EJE
4 UT
18 W7330220 CONJUNTO DE ENGRANAJES DE TRANSMISIÓN CON COJINETE DE TURBINA
19 W7330216 RUEDA DE TURBINA CON COJINETE
20 W7330219 RUEDA, LADO SENCILLO
21 W7230234 KIT JET IMPULSOR
22 W7330233 CONEXIÓN ARPONADA DE MANGUERA BARREDORA, COMPLETA
23 W7230207 TORNILLO AJUSTE COLA LIMPIAFONDOS
24 W7230206 ABRAZADERA COLA LIMPIAFONDOS BLANCA
25 W7330240 PESA DE BASE
26 W7230246 ABRAZADERA MANGUERA SISTEMA DISTRIBUCIÓN
6 UT
27 W7330234 RETÉN DEL CHORRO (X2)
2 UT
28 W7330235 SISTEMA SUMINISTRO AGUA
30 W7230245 ESPONJA DE LA COLA BARREDORA
31 W7330231 ANILLO ESPACIADOR, CONDUCTO DE ALIMENTACIÓN
32 W7330238 CARCASA SUPERIOR Y INFERIOR
33 W7330232 TUBO ALIMENTADOR Y PIEZA ESPACIADORA
34 W7230201 FLOTADOR CABEZAL
35 W7230204 COLA LIMPIAFONDOS COMPLETA
36 W7230205 ANILLO PROTECTOR
37 W7230107 FIJADOR BOLSA
38 W7330224 CARCASA SUPERIOR
39 W7330237 CARCASA INFERIOR
40 W7230325 DISCO RESTRICTOR, AZUL Y ROJO
41 W1230317 ACCESORIO UNIVERSAL DE PARED
42 W7230322 CONJUNTO CONECTOR AUP
43 W7330325 AUP KIT DE RESTRICCIÓN DE PRESIÓN
44 W7230319 JUNTA TÓRICA PARA CONJUNTO CONECTOR AUP
45 W7230323 VÁLVULA REGULADORA DE PRESIÓN
46 W7230304 DESCONECTOR RÁPIDO AUP
47 W7230302 TUERCA SUJECIÓN MANGUERA
49 W7230316 CONJUNTO DE FILTROS EN LÍNEA (EXTERIOR)
50 W7430231 TAMIZ FILTRO EXTERIOR
51 W7230301 FLOTADOR MANGUERA
52 W7230305 MANGUERA ALIMENTACIÓN BLANCA DURA 3 M
53 W7230303 PIVOTE GIRATORIO
54 W7230306 MANGUERA ALIMENTACIÓN LEADER 3 M
55 W7230308 KIT VÁLVULA RETROCESO
56 W7230310 CARCASA VÁLVULA DE RETROCESO
57 W7230312 TUERCA VÁLVULA DE RETROCESO
58 W7230309 MECANISMO VÁLVULA DE RETROCESO

Últimas Novedades:

VER MÁS NOVEDADES

¿Necesitas ayuda?

¿Estás buscando ayuda para encontrar el recambio que necesitas? No dudes en ponerte en contacto con tu Proveedor Oficial de FLUIDRA. Estaremos encantados de asistirte en tu búsqueda

Utilizamos cookies, propias y de terceros, para asegurar el correcto funcionamiento del sitio web y para analizar nuestros servicios y mejorar su experiencia en nuestro sitio web. Puede aceptar las cookies haciendo clic en "Aceptar" o rechazarlas haciendo clic Rechazar. Si desea saber más sobre el uso de las cookies, consulte nuestra Política de Cookies.
Aceptar Rechazar